eneo ISM-42F0036MCB
Artikelnummer 239241
Spezifikationen
- Hersteller-Nummer
- 239241
- Hersteller
- eneo
- Serie
- eneo ISM-Serie
Kamera
- Kameraform
- Modul, Platine
- Chipgröße
- 1/2,8"
- Auflösungsstandard
- 2 MP
- Aufnahmesensor
- CMOS
- System
- Electronic Day&Night
- Low Speed Shutter
- Ja
- Gegenlichtkompensation
- Ja
- Tag-/Nacht-Umschaltung
- Elektronisch
- Tag-/Nachtmodus
- automatisch,Tag,Nacht,zeitgesteuert
- Weißabgleich
- automatisch,manuell
Video
- Auflösung (erweitert)
- 1920x1080 (16:9),1280x720 (16:9),960x540 (16:9),640x480 (4:3),320x240 (4:3)
- Videokompression
- MJPEG
- Datenstromarten
- 2x H.264,1x H.264 oder MJPEG simultan
- Bildübertragungsrate max.
- 30 fps
Objektiv
- Objektiv Typ
- Festbrennweite
- Brennweite
- 3,6 mm
- MOD (Minimum Object Distance)
- 0,3 m
- Bildwinkel vertikal
- 47,8°
- Bildwinkel horizontal
- 89,6°
- Blendensteuerung
- Nein
Display / Darstellung
- Bildauflösung max.
- 1920x1080
DORI
- Wahrnehmen (25px/m)
- 56 m
- Beobachten (62px/m)
- 22,6 m
- Erkennen (125px/m)
- 10,8 m
- Identifizieren (250px/m)
- 5,2 m
Funktionen
- Bewegungsmelder
- Ja
- Analysefunktionen
- Bewegungserkennung (Motion Detection)
- Audiounterstützung
- Nein
- Passwortschutz
- Administrator und Benutzer
- Interner-Speicher
- microSD-Kartenslot
- Menüsprachen
- deutsch, englisch, japanisch, koreanisch
- Browser
- Edge, Firefox, Google Chrome, Opera
- Digitale Rauschunterdrückung (DNR)
- Ja
Schnittstellen / Eingänge / Ausgänge
- Externe Anschlüsse
- RJ-45,12VDC-Spannungseingang,Anschlusskabel ca.15cm,Micro SD Karten Slot 512 GB
- Alarmeingänge
- 0
Allgemeines
- Wide Dynamic Range (WDR)
- D-WDR
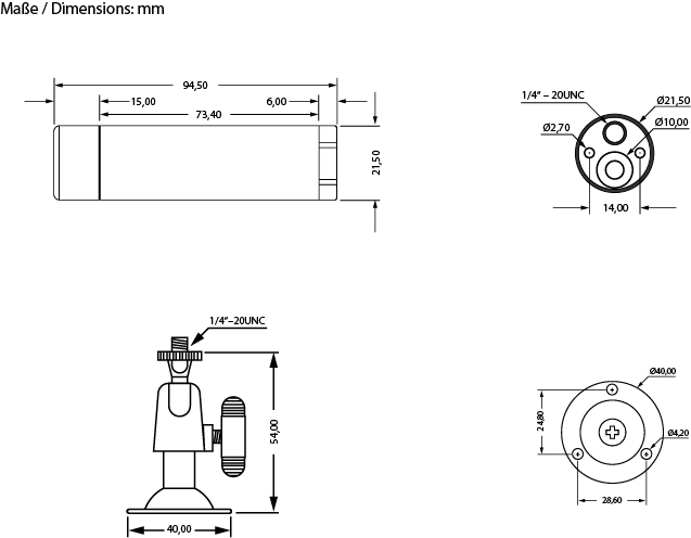
- Abmessungen (BxHxT) (erweitert)
- 21,5x94,5
- Gewicht
- 0,095 kg
- Farbe (Gehäuse)
- schwarz
- Gehäuseart
- Außen, Innen
- Gehäusematerial
- Metall
- Heizung
- Nein
- Kameratyp
- Platinenkamera, Zylinderkamera
- Leistungsaufnahme
- 2,5 W
- Montageart
- Deckenmontage, Wandmontage
- ONVIF
- ONVIF Profile S
- Power over Ethernet
- IEEE 802.3af
- Schutzart
- IP67
- Stromversorgung
- 12VDC, PoE
- Temperaturbereich (Betrieb)
- -20°C ~ +50°C
- Texteinblendung
- vorhanden
Lieferumfang
- Lieferumfang
- Kurzanleitung zur Installation,Montagehalterung,3x Montageschrauben für Halterung,1x Innensechskantschlüssel,1x wasserdichte Abdeckung für RJ45 Anschluss
Hinweise
- Bemerkung
- Dieses Modell ist auf Anfrage auch mit einer Auflösung von 4/5MP erhältlich.
Weitere Produktinformationen
Kleine und kompakte IP-Video-Sicherheitskameras sind vielseitig einsetzbar und können in verschiedenen Umgebungen zur Überwachung und Sicherheit genutzt werden.
Aufgrund Ihrer kompakten Baugröße können diese Kameras überall dort eingesetzt werden, wo nur geringer Platz zur Verfügung steht oder eine möglichst diskrete Überwachung stattfinden soll.
Hier sind einige mögliche Anwendungsbereiche:
Industrielle Überwachung von Maschinen und Produktionsprozessen
Abwasser Kanalüberwachung
Platzsparende Überwachung von Geschäftsräumen und oder Privathaushalten
Einsatz in Mobilen Anwendungen wie z. B. Fahrzeugen, LKW´s, Busse & Bahnen
Kundenspezifische Anpassungen für spezielle Anwendungen möglich
Hauptmerkmale
- 1/2,8" Sony STARVIS CMOS Bildsensor
- Auflösung max. 1920x1080 (Full HD)
- Video-Komprimierungsformat: H.264/MJPEG
- Integrierter Bewegungsmelder
- Eingebauter SD-Micro-Karten-Slot
- Low Speed Shutter
- Gegenlichtkompensation 3DNR und D-WDR
- Unterstützt Privatzonen und Korridor Mode
- Objektiv 3,6mm (weitere Brennweiten auf Anfrage)
- Stromversorgung 12VDC (1.8W) oder PoE (IEEE802.3af)
- Anschlusskabel (RJ45) für PoE und Stromversorgung
- Temperaturbereich (Betrieb) -20°C - +50°C, IP67
Downloads
-
Datenblatt mit Spezifikationen, live generiert aus der Produktdatenbank
-
Technische Daten als Word Dokument, live generiert aus der Produktdatenbank
-
Kurz-Betriebsanleitung (mehrsprachig)
-
Betriebsanleitung zum Produkt (deutsch)
-
Technische Zeichnung
-
Kurz-Betriebsanleitung (mehrsprachig)
-
Betriebsanleitung zum Produkt (englisch)
-
Produkt Firmware CAD Files
-
eneo Product Software Download Portal
-
Link zu eneo Site Manager
-
NDAA konforme Produkte
-
Open Source Software License Information
-
RTSP Streams Konfiguration für eneo Kameras und Rekorder
-
Produktbild in hoher Auflösung
-
Konformitätserklärung (deutsch und englisch)
Dienstleistungen
Hersteller- und Service-Level-AgreementsInformationen zu Garantie- und Serviceleistungen, Partnerprogrammen, Reparaturen, Pre- und Aftersales Support.
